アプリケーション・ノート (1)
-
STARplug efficient low power supply[AN00055]
データ・シート (1)
-
SMPS ICs for low-power systems[TEA152X]
お客様の素早い設計とより早い製品化を実現する、技術情報と専門知識をご紹介します。
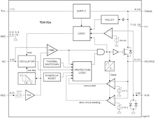
The TEA152x family STARplug is a Switched Mode Power Supply (SMPS) controller IC that operates directly from the rectified universal mains. It is implemented in the high-voltage EZ-HV SOI process, combined with a low-voltage Bipolar Complementary Metal-Oxide Semiconductor (BiCMOS) process. The device includes a high-voltage power switch and a circuit for start-up directly from the rectified mains voltage. A dedicated circuit for valley switching is built in, which makes a very efficient slim-line electronic power-plug concept possible. In its most basic version of application, the TEA152x family acts as a voltage source. Here, no additional secondary electronics are required. A combined voltage and current source can be realized with minimum costs for external components
|
|
|
|
|
|
|
|---|---|---|---|---|---|
|
|
|
|
|
|
|
|
|
|
|
|
|
|
|
|
|
|
|
|
|
|
|
|
|
|
|
|
|
|
|
|
|
|
|
|
|
|
|
|
|
|
|
|
|
|
|
|
|
|
|
|
|
|
|
|
|
|
|
|
|
|
|
|
|
|
|
|
|
|
クイック・リファレンス ドキュメンテーションの種類
3 ドキュメント
コンパクトリスト
セキュアファイルの読み込み中、しばらくお待ちください。