アプリケーション・ノート (1)
カタログ (1)
サポート情報 (1)
-
Footprint for Wave Soldering[SO-SOJ-WAVE]
データ・シート (1)
パッケージ情報 (1)
ユーザ・ガイド (2)
-
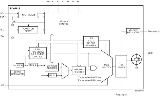
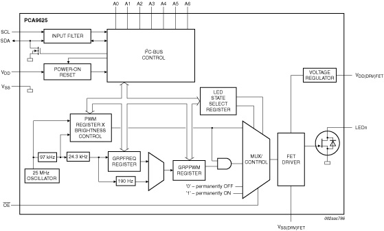
UM10317[UM10317]
お客様の素早い設計とより早い製品化を実現する、技術情報と専門知識をご紹介します。
Archived content is no longer updated and is made available for historical reference only.
|
|
|
|
|
|
|
|---|---|---|---|---|---|
|
|
|
|
|
|
|
|
|
|
|
|
|
|
|
|
|
|
|
|
|
|
|
|
|
|
|
|
|
|
|
|
|
|
|
|
|
|
|
|
|
|
|
|
|
|
|
|
|
|
|
|
|
|
|
|
|
|
|
|
|
|
|
|
|
|
|
|
|
|
クイック・リファレンス ドキュメンテーションの種類
7 ドキュメント
コンパクトリスト
セキュアファイルの読み込み中、しばらくお待ちください。