NVT4556UK Demo Board w/ I²C Control

  • このページには、製造中止(生産終了)となった製品の情報が記載されています。本ページに記載されている仕様および情報は、過去の参考情報です。

製品詳細

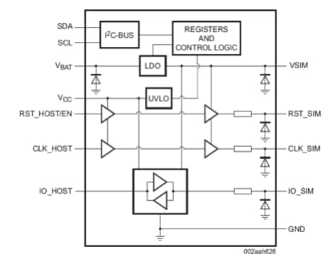
ブロック図

NVT4556UK Demo board w/ I²C Control

NVT4556UK Diagram

Features

Key Features

  • Level translation of I/O, RSTn, and CLKn between SIM card and host-side interface with capacitive isolation
  • Incorporates ISO-7816-3 shutdown feature for the SIM card signals
  • ETSI, IMT2000, and ISO-7816 compliant
  • Integrated EMI filters

Connectivity

  • VCC input pin provides both host supply voltage and logic level hardware enable/disable pin: source through Host GPIO (ICC < 100 μA)
  • I²C-bus interface for device enable and LDO voltage selection

Power Management

  • Input voltage range to LDO: 2.5 V to 5.25 V
  • Host microcontroller operating voltage range: 1.55 V to 3.6 V
  • Support SIM card supply voltages 1.8 V and 3 V
  • Low current shutdown mode 3 μA
  • 8 kV IEC61000-4-2 ESD protected on all SIM card contact pins

Support

  • Supports clock speed beyond 5 MHz clock
  • Supports CLK stop mode

User Components

  • RST_HOST/EN pin can be programmed as a reset pin or as a device enable/disable pin

購入オプション

OM13485-Image

クリックして展開

OM13485
生産終了 (EOL)

NVT4556UK Demo Board w/ I²C Control.

ドキュメント

クイック・リファレンス ドキュメンテーションの種類

1 ドキュメント

コンパクトリスト

サポート

お困りのことは何ですか??