データ・シート (1)
-
Multiple voltage regulators with switch[TDA3608Q_TH]
お客様の素早い設計とより早い製品化を実現する、技術情報と専門知識をご紹介します。
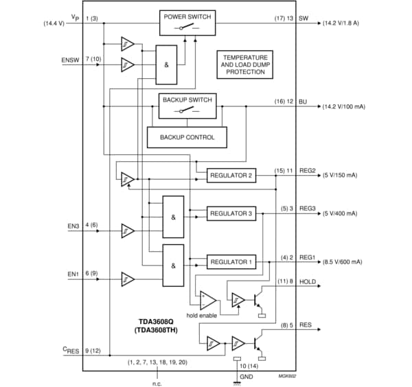
The TDA3608 is a multiple output voltage regulator with a power switch, intended for use in car radios with or without a microcontroller. It contains:
|
|
|
|
|
|
|
|---|---|---|---|---|---|
|
|
|
|
|
|
|
|
|
|
|
|
|
|
|
|
|
|
|
|
|
|
|
|
|
|
|
|
|
|
|
|
|
|
|
|
|
|
|
|
|
|
|
|
|
|
|
|
|
|
|
|
|
|
|
|
|
|
|
|
|
|
|
|
|
|
|
|
|
|
クイック・リファレンス ドキュメンテーションの種類
2 ドキュメント
コンパクトリスト
セキュアファイルの読み込み中、しばらくお待ちください。