Multiple voltage regulator with switch and ignition buffer

  • このページには、製造中止(生産終了)となった製品の情報が記載されています。本ページに記載されている仕様および情報は、過去の参考情報です。

画像にカーソルを合わせると拡大表示されます。

製品詳細

ブロック図

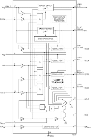
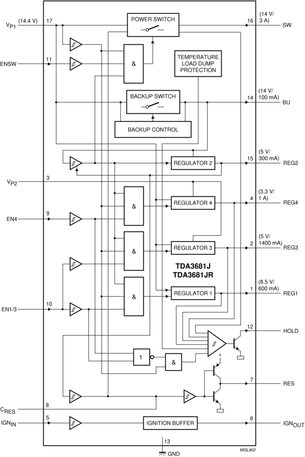
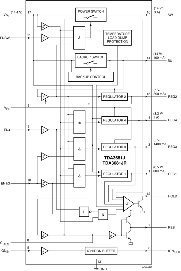
Block diagram: TDA3681J, TDA3681JR, TDA3681TH

Features

General
  • Low noise behaviour and good stability with very small output capacitors
  • Second supply pin for regulators 3 and 4 to reduce power dissipation (e.g. via a DC-to-DC converter)
  • Three VP -state controlled regulators (regulators 1, 3 and 4) and a power switch
  • Regulator 2, reset and ignition buffer operational during load dump and thermal shutdown
  • Combined control pin for switching regulators 1 and 3
  • Separate control pins for switching regulator 4 and the power switch
  • Supply voltage range from -18 to +50 V
  • Low quiescent current in standby mode (when regulators 1, 3 and 4 and power switch are switched off and ignition input is low)
  • Hold output (open-collector output stage) for low VP (regulators 1, 3 and 4 and power switch off)
  • Hold output when one of regulators 1 and 3 and/or 4 is out of regulation
  • Hold output for foldback mode of power switch and regulators 1, 3 and 4
  • Hold output for load dump and temperature protection
  • Reset (push-pull output stage) for regulator 2
  • Adjustable reset delay time
  • High supply voltage ripple rejection
  • Backup capacitor for regulator 2
  • One independent ignition buffer (active HIGH).

Protections

  • Reverse polarity safe (down to -18 V without high reverse current)
  • Able to withstand voltages up to 18 V at the outputs (supply line may be short-circuited)
  • ESD protection on all pins
  • Thermal protections
  • Load dump protection
  • Foldback current limit protection for regulators 1, 2, 3 and 4
  • Delayed second current limit protection for the power switch (at short-circuit)
  • The regulator outputs and the power switch are DC short-circuit safe to ground and supply (VP ).

購入/パラメータ










































































































ドキュメント

クイック・リファレンス ドキュメンテーションの種類

4 ドキュメント

コンパクトリスト

デザイン・ファイル

サポート

お困りのことは何ですか??