デザイン・ファイル
完全な内訳を受け取ります。 製品の設置面積などについては、 eCad ファイル.
お客様の素早い設計とより早い製品化を実現する、技術情報と専門知識をご紹介します。
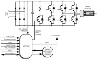
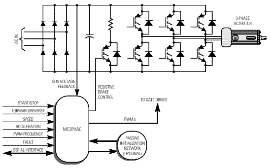
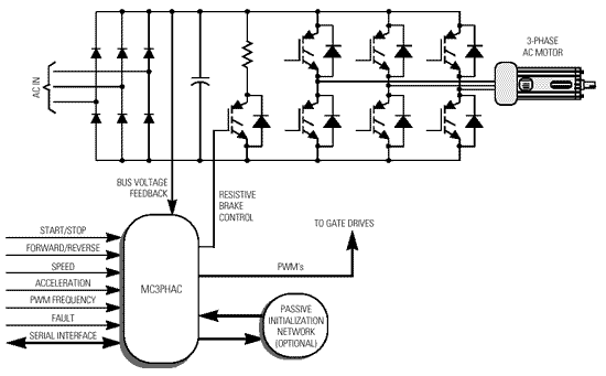
The MC3PHAC is a high-performance monolithic intelligent motor controller designed specifically to meet the requirements for cost-effective, variable-speed, three-phase AC motor control systems. The device is adaptable and configurable based on its environment. It contains all of the active functions required to implement the control portion of an open loop, three-phase AC motor drive.
One of the aspects of this device is that although it is adaptable and configurable based on its environment, it does not require any software development. This makes the MC3PHAC a good fit for customer applications requiring AC motor control but with limited or no software resources available.
クイック・リファレンス ドキュメンテーションの種類
2 ドキュメント
コンパクトリスト
セキュアファイルの読み込み中、しばらくお待ちください。
クイック・リファレンス ソフトウェア・タイプ.
2 ソフトウェア・ファイル
注: より快適にご利用いただくために、ソフトウェアのダウンロードはデスクトップで行うことを推奨します。
セキュアファイルの読み込み中、しばらくお待ちください。