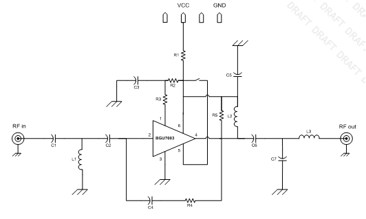
The BGU7003 LNA evaluation board simplifies the evaluation of the BGU7003 LNA for the Chinese Mobile Multimedia Broadcast at frequencies ranging from 400 MHz to 800 MHz. The evaluation board enables testing of the device performance and requires no additional support circuitry. The board is fully assembled with the BGU7003, including the input and output matching circuitry as well as a decoupling capacitors to optimize the performance. The board is supplied with two SMA connectors for input and output connection to RF test equipment. The BGU7003 board is optimized for 2.5 V operation and consumes about 5 mA.