アプリケーション・ノート (1)
サポート情報 (1)
-
Footprint for reflow soldering[SO-SOJ-REFLOW]
お客様の素早い設計とより早い製品化を実現する、技術情報と専門知識をご紹介します。
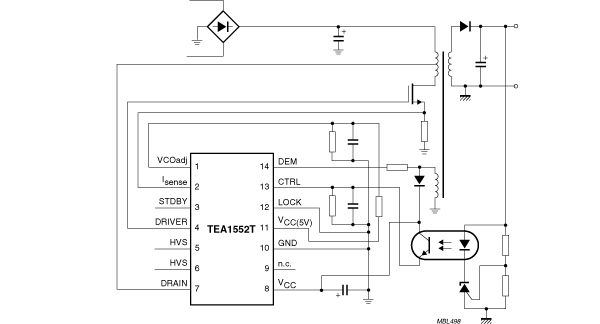
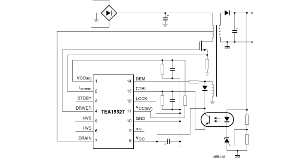
The GreenChipII is the second generation of green Switched Mode Power Supply (SMPS) control ICs operating directly from the rectified universal mains. A high level of integration leads to a cost effective power supply with a very low number of external components.
The special built-in green functions allow the efficiency to be optimum at all power levels. This holds for quasi-resonant operation at high power levels, as well as fixed frequency operation with valley switching at medium power levels. At low power (standby) levels, the system operates at reduced frequency and with valley detection.
The proprietary high voltage BCD800 process makes direct start-up possible from the rectified mains voltage in an effective and green way. A second low voltage BICMOS IC is used for accurate, high speed protection functions and control.
Highly efficient, reliable supplies can easily be designed using the GreenChipII control IC.
|
|
|
|
|
|
|
|---|---|---|---|---|---|
|
|
|
|
|
|
|
|
|
|
|
|
|
|
|
|
|
|
|
|
|
|
|
|
|
|
|
|
|
|
|
|
|
|
|
|
|
|
|
|
|
|
|
|
|
|
|
|
|
|
|
|
|
|
|
|
|
|
|
|
|
|
|
|
|
|
|
|
|
|
クイック・リファレンス ドキュメンテーションの種類
4 ドキュメント
コンパクトリスト
セキュアファイルの読み込み中、しばらくお待ちください。