High-Speed CAN Transceiver Auto Applications
デザイン・ファイル
完全な内訳を受け取ります。 製品の設置面積などについては、 eCad ファイル.
お客様の素早い設計とより早い製品化を実現する、技術情報と専門知識をご紹介します。
MC34901 removed from active portfolio. Possible Replacement Part: TJA1044GT (/3).
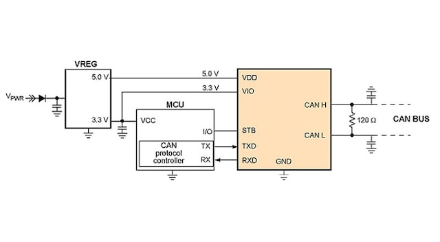
The NXP® MC34901 single CAN high-speed physical layer is a cost-effective solution designed for standard CAN high-speed applications and used to convert digital protocol information into analog CAN communication.