アプリケーション・ノート (1)
-
AN10798[AN10798]
お客様の素早い設計とより早い製品化を実現する、技術情報と専門知識をご紹介します。
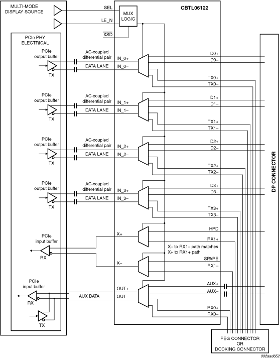
The CBTL06122 is a six-channel ('hex') multiplexer for DisplayPort and PCI Express Gen2 applications. It provides four differential channels capable of switching or multiplexing (bidirectional and AC-coupled) PCI Express Gen2 or DisplayPort signals, using high-bandwidth pass-gate technology. Additionally, it provides for switching/multiplexing of the Hot Plug Detect signal as well as the AUX or DDC (Direct Display Control) signals, for a total of six channels.
The CBTL06122 is designed for high-performance PCI Express Gen2 and DisplayPort applications. The device is available in two different pinouts (A and B, orderable as separate part numbers) to suit different motherboard layout requirements.
The typical application of CBTL06122 is on motherboards, docking stations or add-in cards where the graphics and I/O system controller chip utilizes I/O pins that are configurable for either PCI Express or DisplayPort operation. The hex display MUX can be used in such applications to route the signal from the controller chip to either a physical DisplayPort connector or a PCI Express connector using its 1 : 2 multiplexer topology. The controller chip selects which path to use by setting a select signal (which can be latched) HIGH or LOW.
Optionally, the hex MUX device can be used in conjunction with an HDMI/DVI level shifter device (PTN3300A, PTN3300B or PTN3301) to allow for DisplayPort as well as HDMI/DVI connectivity.
|
|
|
|
|
|
|
|---|---|---|---|---|---|
|
|
|
|
|
|
|
|
|
|
|
|
|
|
|
|
|
|
|
|
|
|
|
|
|
|
|
|
|
|
|
|
|
|
|
|
|
|
|
|
|
|
|
|
|
|
|
|
|
|
|
|
|
|
|
|
|
|
|
|
|
|
|
|
|
|
|
|
|
|
クイック・リファレンス ドキュメンテーションの種類
3 ドキュメント
コンパクトリスト
セキュアファイルの読み込み中、しばらくお待ちください。