データ・シート (1)
-
Half-bridge driver IC[UBA2080_UBA2081]
お客様の素早い設計とより早い製品化を実現する、技術情報と専門知識をご紹介します。
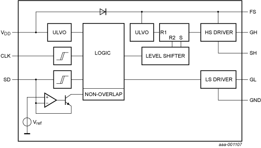
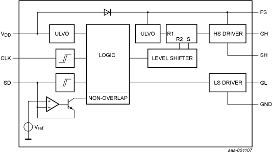
The UBA2081 is a high voltage monolithic integrated circuit made using the latch-up free Silicon-On-Insulator (SOI) process. The circuit is designed for driving MOSFETs in a half-bridge configuration.
|
|
|
|
|
|
|
|---|---|---|---|---|---|
|
|
|
|
|
|
|
|
|
|
|
|
|
|
|
|
|
|
|
|
|
|
|
|
|
|
|
|
|
|
|
|
|
|
|
|
|
|
|
|
|
|
|
|
|
|
|
|
|
|
|
|
|
|
|
|
|
|
|
|
|
|
|
|
|
|
|
|
|
|
クイック・リファレンス ドキュメンテーションの種類
3 ドキュメント
コンパクトリスト
セキュアファイルの読み込み中、しばらくお待ちください。