アプリケーション・ノート (1)
-
AN10798[AN10798]
カタログ (1)
データ・シート (1)
-
Gen1 display 2 : 1 multiplexer[CBTL06141]
お客様の素早い設計とより早い製品化を実現する、技術情報と専門知識をご紹介します。
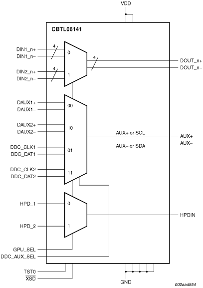
The CBTL06141 is a six-channel (‘hex’) multiplexer for DisplayPort and PCI Express applications at Generation 1 (‘Gen1’) speeds. It provides four differential channels capable of 1 : 2 switching or 2 : 1 multiplexing (bidirectional and AC-coupled) PCI Express or DisplayPort signals, using high-bandwidth pass-gate technology. Additionally, it provides for switching/multiplexing of the Hot Plug Detect signal as well as the AUX or DDC (Direct Display Control) signals, for a total of six channels on the display side. The AUX and DDC channels provide a four-position multiplexer such that an additional level of multiplexing can be accomplished when AUX and DDC I/Os are on separate pins of the display source device.
The CBTL06141 is designed for Gen1 speeds, at 2.5 Gbit/s for PCI Express or 2.7 Gbit/s for DisplayPort, and for input voltages of up to 3.3 V typical. It consumes very low current in operational mode (less than 1 mA typical) and provides for a shutdown function (less than 10 μA) to support battery-powered applications.
A typical application of CBTL06141 is on motherboards where one of two GPU display sources needs to be selected to connect to a display sink device or connector. A controller chip selects which path to use by setting a select signal HIGH or LOW. Due to the non-directional nature of the signal paths (which use high-bandwidth passgate technology), the CBTL06141 can also be used in the reverse topology, e.g., to connect one display source device to one of two display sink devices or connectors.
Optionally, the hex MUX device can be used in conjunction with an HDMI/DVI level shifter device (PTN3300A, PTN3300B or PTN3301) to allow for DisplayPort as well as HDMI/DVI connectivity.
|
|
|
|
|
|
|
|---|---|---|---|---|---|
|
|
|
|
|
|
|
|
|
|
|
|
|
|
|
|
|
|
|
|
|
|
|
|
|
|
|
|
|
|
|
|
|
|
|
|
|
|
|
|
|
|
|
|
|
|
|
|
|
|
|
|
|
|
|
|
|
|
|
|
|
|
|
|
|
|
|
|
|
|
クイック・リファレンス ドキュメンテーションの種類
5 ドキュメント
コンパクトリスト
セキュアファイルの読み込み中、しばらくお待ちください。