サポート情報 (2)
-
Footprint for reflow soldering[SSOP-TSSOP-VSO-REFLOW]
-
Footprint for wave soldering[SSOP-TSSOP-VSO-WAVE]
お客様の素早い設計とより早い製品化を実現する、技術情報と専門知識をご紹介します。
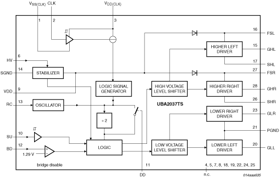
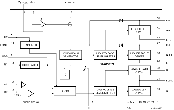
The UBA2037TS is a high voltage monolithic integrated circuit (IC) manufactured in a High Voltage Silicon On Insulator (HVSOI) process. This circuit is designed for driving MOSFETs in a full bridge configuration. In addition, it features a disable function, an internal adjustable oscillator and an external clock input function with a high-voltage level shifter for driving the bridge. To guarantee an accurate 50% duty cycle, the oscillator signal can be passed through a divider before being fed to the output drivers. The UBA2037TS is especially suitable for High Intensity Discharge (HID) lamp drivers for projectors and general lighting applications.
クイック・リファレンス ドキュメンテーションの種類
4 ドキュメント
コンパクトリスト
セキュアファイルの読み込み中、しばらくお待ちください。