アプリケーション・ノート (1)
-
AN10798[AN10798]
お客様の素早い設計とより早い製品化を実現する、技術情報と専門知識をご紹介します。
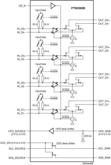
The PTN3360B is a high-speed level shifter device that converts four lanes of low-swing AC-coupled differential input signals to DVI v1.0 and HDMI v1.3a compliant open-drain current-steering differential output signals, up to 2.5 Gbit/s per lane. Each of these lanes provides a level-shifting differential buffer to translate from low-swing AC-coupled differential signaling on the source side, to TMDS-type DC-coupled differential current-mode signaling terminated into 50 Ω to 3.3 V on the sink side. Additionally, the PTN3360B provides a single-ended active buffer for voltage translation of the HPD signal from 5 V on the sink side to 3.3 V on the source side and provides a channel for level shifting of the DDC channel (consisting of a clock and a data line) between 3.3 V source-side and 5 V sink-side. The DDC channel is implemented using pass-gate technology providing level shifting as well as disablement (isolation between source and sink) of the clock and data lines.
The low-swing AC-coupled differential input signals to the PTN3360B typically come from a display source with multimode I/O, which supports multiple display standards, e.g., DisplayPort, HDMI, and DVI. While the input differential signals are configured to carry DVI or HDMI coded data, they do not comply with the electrical requirements of the DVI v1.0 or HDMI v1.3a specification. By using PTN3360B, chipset vendors are able to implement such reconfigurable I/Os on multimode display source devices, allowing the support of multiple display standards while keeping the number of chipset I/O pins low.
The PTN3360B main high-speed differential lanes feature low-swing self-biasing differential inputs that are compliant to the electrical specifications of DisplayPort Standard v1.1and/or PCI Express Standard v1.1, and open-drain current-steering differential outputs compliant to DVI v1.0 and HDMI v1.3a electrical specifications. The I²C-bus channel level-translates the DDC signals between 3.3 V (source) and 5.0 V (sink).
The PTN3360B is a fully featured HDMI as well as DVI level shifter. It is functionally equivalent to PTN3300A but provides higher speed performance and higher ESD robustness. The PTN3360B is also equivalent to PTN3360A with the exception that PTN3360B provides noninverting level shifting on the HPD channel.
PTN3360B is powered from a single 3.3 V power supply consuming a small amount of power (120 mW typ.) And is offered in a 48-terminal HVQFN48 package.
クイック・リファレンス ドキュメンテーションの種類
4 ドキュメント
コンパクトリスト
セキュアファイルの読み込み中、しばらくお待ちください。