データ・シート (2)
パッケージ情報 (1)
-
68030 RC Package Pinout and Case Diagram[MC68030RC]
リファレンス・マニュアル (5)
-
68000 Family Programmer's Reference Manual[M68000PRM]
-
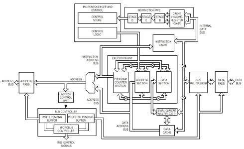
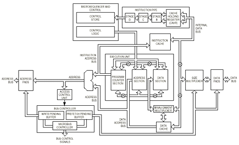
MC68030 User's Manual (Part 2 of 2)[MC68030UM-P2]
レポートまたはプレゼンテーション (1)
-
Optimizing 680X0 Applications[MC680X0OPTAPP]
信頼性と品質情報 (1)
-
Product Reliability Information 4Q98[REL4Q98QI]

