アプリケーション・ノート (1)
-
AN10798[AN10798]
お客様の素早い設計とより早い製品化を実現する、技術情報と専門知識をご紹介します。
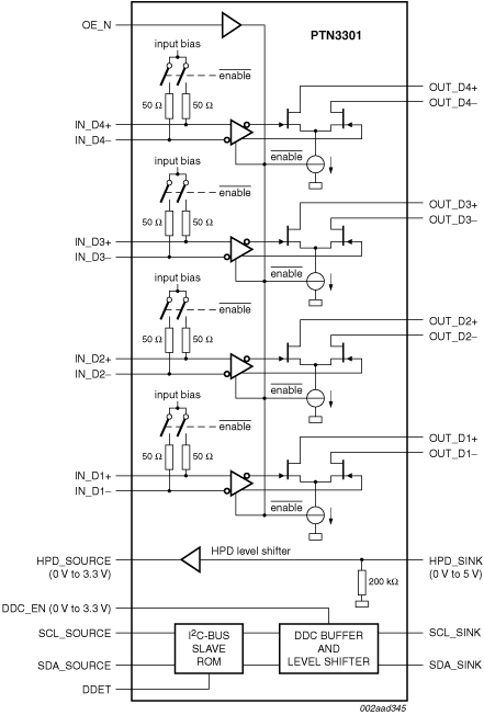
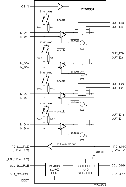
To support the new, high-speed motherboard graphics chipsets from Intel, AMD/ATI, nVidia, and others, these devices provide electrical-level translation from PCIe and DisplayPort signals to the current-mode outputs required to drive DVI and HDMI displays.
|
|
|
|
|
|
|
|---|---|---|---|---|---|
|
|
|
|
|
|
|
|
|
|
|
|
|
|
|
|
|
|
|
|
|
|
|
|
|
|
|
|
|
|
|
|
|
|
|
|
|
|
|
|
|
|
|
|
|
|
|
|
|
|
|
|
|
|
|
|
|
|
|
|
|
|
|
|
|
|
|
|
|
|
クイック・リファレンス ドキュメンテーションの種類
2 ドキュメント
コンパクトリスト
セキュアファイルの読み込み中、しばらくお待ちください。