アプリケーション・ノート (1)
-
PicoGate Logic footprints[AN10161]
お客様の素早い設計とより早い製品化を実現する、技術情報と専門知識をご紹介します。
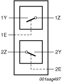
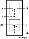
The NX3L2G66 is a dual low-ohmic single-pole single-throw analog switch. Each switch has two input/output terminals (nY and nZ) and an active HIGH enable input (nE). When pin nE is LOW, the analog switch is turned off.
Schmitt trigger action at the enable input (nE) makes the circuit tolerant to slower input rise and fall times. The NX3L2G66 allows signals with amplitude up to VCC to be transmitted from nY to nZ; or from nZ to nY. Its low ON resistance (0.5 Ω) and flatness (0.13 Ω) ensures minimal attenuation and distortion of transmitted signals.
|
|
|
|
|
|
|
|---|---|---|---|---|---|
|
|
|
|
|
|
|
|
|
|
|
|
|
|
|
|
|
|
|
|
|
|
|
|
|
|
|
|
|
|
|
|
|
|
|
|
|
|
|
|
|
|
|
|
|
|
|
|
|
|
|
|
|
|
|
|
|
|
|
|
|
|
|
|
|
|
|
|
|
|
クイック・リファレンス ドキュメンテーションの種類
4 ドキュメント
コンパクトリスト
セキュアファイルの読み込み中、しばらくお待ちください。