OM7889
アクティブ
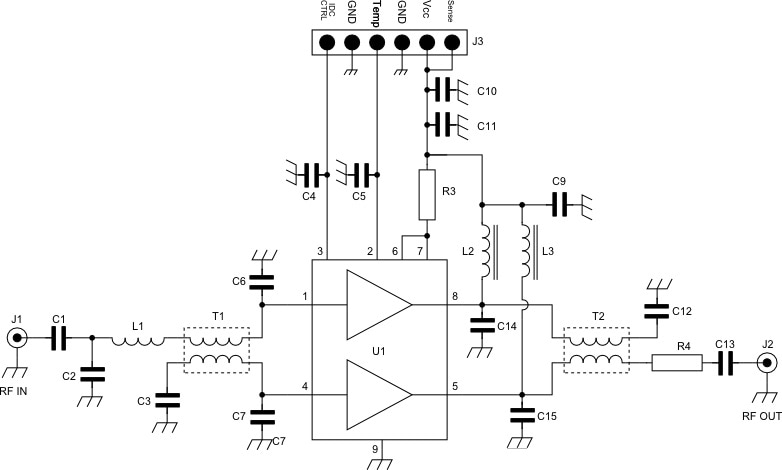
Demoboard for BGA3022, 1.2 GHz 18 dB gain wideband amplifier application.



