デザイン・ファイル
完全な内訳を受け取ります。 製品の設置面積などについては、 eCad ファイル.
お客様の素早い設計とより早い製品化を実現する、技術情報と専門知識をご紹介します。
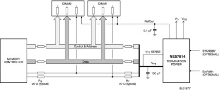
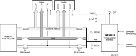
The NE57814 is designed to provide power for termination of a DDR memory bus. It significantly reduces parts count, board space, and overall system cost over previous switching solutions. The NE57814 has an independent power source pin (VD) for further reducing the operational power and a standby low-power mode for energy-sensitive portable applications.
The DDR terminator regulator provides a very accurate reference (RefOut) and termination voltage (VTT) which is one-half of the RAM supply voltage over wide range of current demand.
|
|
|
|
|
|
|
|---|---|---|---|---|---|
|
|
|
|
|
|
|
|
|
|
|
|
|
|
|
|
|
|
|
|
|
|
|
|
|
|
|
|
|
|
|
|
|
|
|
|
|
|
|
|
|
|
|
|
|
|
|
|
|
|
|
|
|
|
|
|
|
|
|
|
|
|
|
|
|
|
|
|
|
|
クイック・リファレンス ドキュメンテーションの種類
2 ドキュメント
コンパクトリスト
セキュアファイルの読み込み中、しばらくお待ちください。