サポート情報 (1)
-
Footprint for reflow soldering[SSOP-TSSOP-VSO-REFLOW]
お客様の素早い設計とより早い製品化を実現する、技術情報と専門知識をご紹介します。
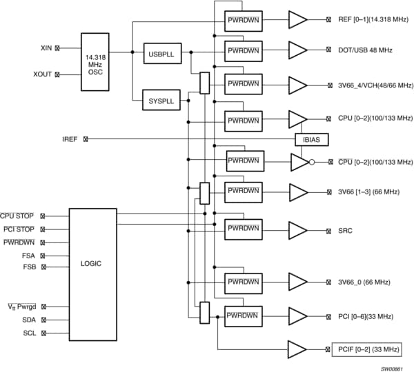
The PCK2023 is a clock synthesizer/driver for a Pentium IV and other similar processors.
The PCK2023 has three differential pair CPU current source outputs. There are ten PCI clock outputs running at 33 MHz and two 48 MHz clocks. There are six 3V66 outputs. Finally, there is one 3.3 V reference clock at 14.318 MHz. All clock outputs meet Intel?s drive strength, rise/fall times, jitter, accuracy, and skew requirements.
The part possesses a dedicated power-down input pin for power management control. This input is synchronized on-chip and ensures glitch-free output transitions.
|
|
|
|
|
|
|
|---|---|---|---|---|---|
|
|
|
|
|
|
|
|
|
|
|
|
|
|
|
|
|
|
|
|
|
|
|
|
|
|
|
|
|
|
|
|
|
|
|
|
|
|
|
|
|
|
|
|
|
|
|
|
|
|
|
|
|
|
|
|
|
|
|
|
|
|
|
|
|
|
|
|
|
|
クイック・リファレンス ドキュメンテーションの種類
3 ドキュメント
コンパクトリスト
セキュアファイルの読み込み中、しばらくお待ちください。