デザイン・ファイル
完全な内訳を受け取ります。 製品の設置面積などについては、 eCad ファイル.
お客様の素早い設計とより早い製品化を実現する、技術情報と専門知識をご紹介します。
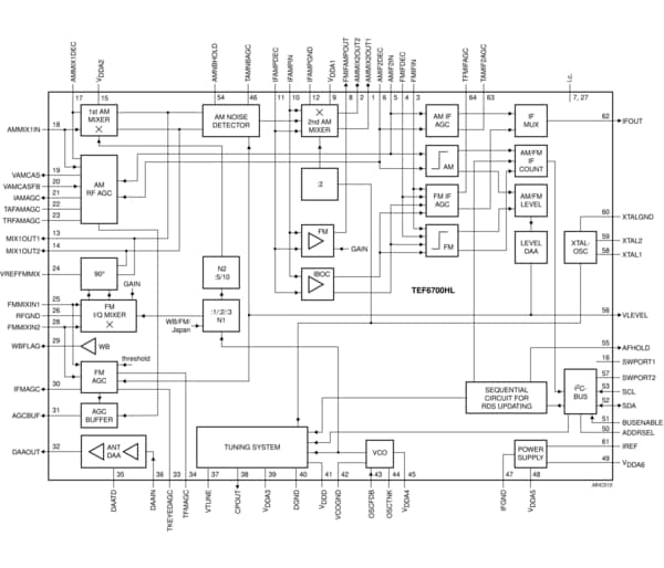
The TEF6700HL is a single chip car radio tuner for AM, FM standard, FM IBOC DAB and weather band providing gain controlled output of FM IF and AM IF2 for a car IF DSP IC (e.g. SAA7724H) including the following functions:
|
|
|
|
|
|
|
|---|---|---|---|---|---|
|
|
|
|
|
|
|
|
|
|
|
|
|
|
|
|
|
|
|
|
|
|
|
|
|
|
|
|
|
|
|
|
|
|
|
|
|
|
|
|
|
|
|
|
|
|
|
|
|
|
|
|
|
|
|
|
|
|
|
|
|
|
|
|
|
|
|
|
|
|
クイック・リファレンス ドキュメンテーションの種類
1 ドキュメント
コンパクトリスト
セキュアファイルの読み込み中、しばらくお待ちください。