アプリケーション・ノート (2)
-
AN262[AN262]
データ・シート (1)
-
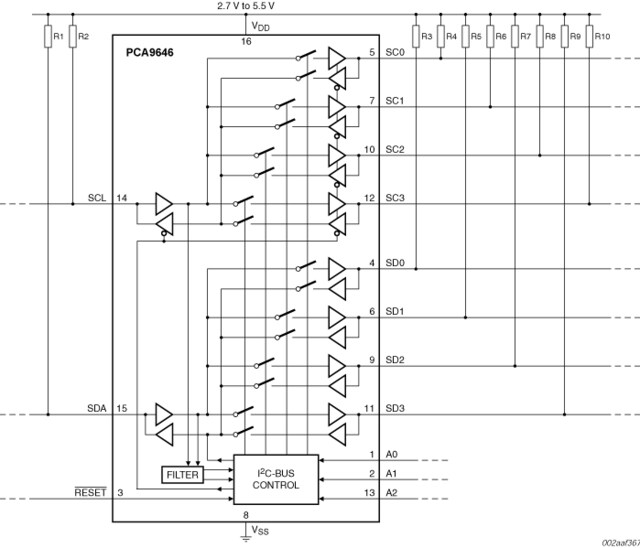
Buffered 4-channel 2-wire bus switch[PCA9646]
お客様の素早い設計とより早い製品化を実現する、技術情報と専門知識をご紹介します。
The PCA9646 is a monolithic CMOS integrated circuit for 2-wire bus buffering and switching in applications including I²C-bus, SMBus, PMBus, and other systems based on similar principles.
Each of the four outputs may be independently enabled in any combination as determined by the contents of the programmable control register. Each I/O is impedance isolated from all others, thus allowing a total of five branches of 2-wire bus with the maximum specified load (e.g., 5 × 400 pF for Fm+ I²C-bus at 1 MHz, or 5 × 4 nF at lower frequencies) (Ref. 1). More than one PCA9646 may be used in series, providing a substantial fan-out capability.
The PCA9646 includes a unidirectional buffer for the clock signal, and a bidirectional buffer for the data signal. The direction of the clock signal may also be set by the contents of the programmable control register. Clock stretching and timing must always be under control of the leader device.
The PCA9646 has excellent application to 2-wire bus address expansion and increasing of maximum load capacitance. Very large LED displays are a perfect example.
|
|
|
|
|
|
|
|---|---|---|---|---|---|
|
|
|
|
|
|
|
|
|
|
|
|
|
|
|
|
|
|
|
|
|
|
|
|
|
|
|
|
|
|
|
|
|
|
|
|
|
|
|
|
|
|
|
|
|
|
|
|
|
|
|
|
|
|
|
|
|
|
|
|
|
|
|
|
|
|
|
|
|
|
クイック・リファレンス ドキュメンテーションの種類
6 ドキュメント
コンパクトリスト
セキュアファイルの読み込み中、しばらくお待ちください。