OM7891
アクティブ
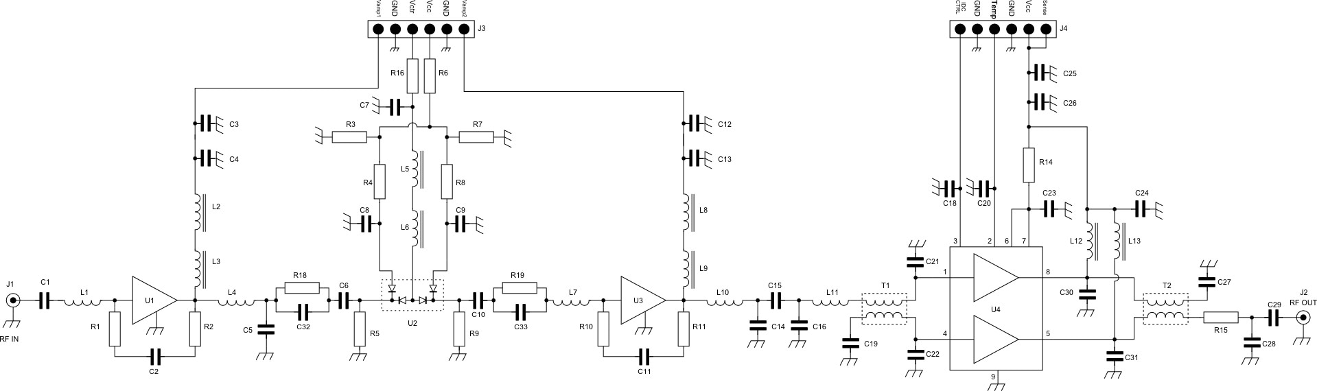
BGA30xx 1.2 GHz Optical Mini Node.
お客様の素早い設計とより早い製品化を実現する、技術情報と専門知識をご紹介します。
Archived content is no longer updated and is made available for historical reference only.
The BGA30xx Optical Mini Node kit enables the user to evaluate the BGA3018, BAP70Q, BGA3015, and BGA3022 in one system solution. It contains an RF board matched to 75 Ohms from 40 MHz up to 1200 MHz with F-connectors. The board operates between 5 V and 8 V.
BGA30xx 1.2 GHz Optical Mini Node.
| 販売代理店 | 地域 | 在庫 | 在庫日 | 注文 |
|---|
Upon selection of a preferred distributor, you will be directed to their web site to place and service your order. Please be aware that distributors are independent businesses and set their own prices, terms and conditions of sale. NXP makes no representations or warranties, express or implied, about distributors, or the prices, terms and conditions of sale agreed upon by you and any distributor.