サポート情報 (1)
-
Footprint for wave soldering[QFP-SQFP-TQFP-WAVE]
データ・シート (1)
-
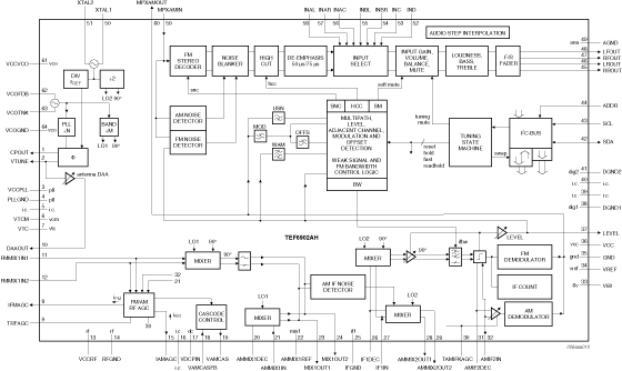
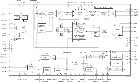
Integrated car radio[TEF6902A]
お客様の素早い設計とより早い製品化を実現する、技術情報と専門知識をご紹介します。
The TEF6902A is a single-chip car radio integrated circuit with FM/AM tuner, stereo decoder, weak signal processing and audio processing.
FM tuner with double conversion to IF1 = 10.7 MHz and IF2 = 450 kHz with integrated image rejection for both IF1 and IF2; integrated channel filter with variable bandwidth control; capable of US FM, Europe FM, Japan FM and Eastern Europe FM. AM tuner with double conversion to IF1 = 10.7 MHz and IF2 = 450 kHz; capable of Long Wave (LW), Medium Wave (MW) and full range Short Wave (SW) (11 m to 120 m bands).
Multiplex (MPX) stereo decoder, ignition noise blanker and extensive weak signal processing.
Audio processing with flexible source selection, volume, balance, fader, input gain control and inaudible tuning mute. Integrated audio filters for bass and treble and loudness control function.
The device can be controlled via the fast-mode I²C-bus (400 kHz) and includes autonomous tuning functions for easy control without microcontroller timing. No manual alignments are required.
|
|
|
|
|
|
|
|---|---|---|---|---|---|
|
|
|
|
|
|
|
|
|
|
|
|
|
|
|
|
|
|
|
|
|
|
|
|
|
|
|
|
|
|
|
|
|
|
|
|
|
|
|
|
|
|
|
|
|
|
|
|
|
|
|
|
|
|
|
|
|
|
|
|
|
|
|
|
|
|
|
|
|
|
クイック・リファレンス ドキュメンテーションの種類
3 ドキュメント
コンパクトリスト
セキュアファイルの読み込み中、しばらくお待ちください。