コンパクトリスト
お客様の素早い設計とより早い製品化を実現する、技術情報と専門知識をご紹介します。
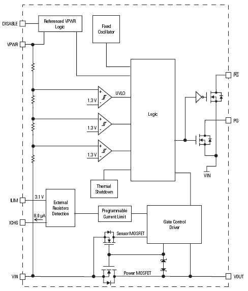
ARCHIVED 8/08 - The 34653 is a highly integrated -48 V hot swap controller with an internal Power MOSFET. It provides the means to safely install and remove boards from live -48 V backplanes without having to power down the entire system. It regulates the inrush current, from the supply to the load.s filter capacitor, to a user-programmable limit, allowing the system to safely stabilize. A disable function allows the user to disable the 34653 manually or through a microprocessor and safely disconnect the load from the main power line.
The 34653 has active high and active low power good output signals that can be used to directly enable a power module load. Undervoltage and overvoltage detection circuitry monitors the input voltage to check that it is within its operating range. A start-up delay timer ensures that it is safe to turn on the Power MOSFET and charge the load capacitor.
A two-level current limit approach to controlling the inrush current and switching on the load limits the peak power dissipation in the Power MOSFET. Both current limits are user programmable.
Archived content is no longer updated and is made available for historical reference only.
クイック・リファレンス ドキュメンテーションの種類
1 ドキュメント
コンパクトリスト
セキュアファイルの読み込み中、しばらくお待ちください。