デザイン・ファイル
完全な内訳を受け取ります。 製品の設置面積などについては、 eCad ファイル.
お客様の素早い設計とより早い製品化を実現する、技術情報と専門知識をご紹介します。
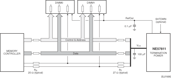
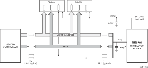
The NE57811 is designed to provide power for termination of a Double Data Rate (DDR) SDRAM memory bus. It significantly reduces parts count, board space, and overall system cost compared to previous solutions.
The NE57811 DDR termination regulator maintains an output voltage (DDR reference bus voltage) that is one-half that of the RAM supply voltage. It is capable of providing up to +-3.5 A for sustained periods. Overcurrent limiting protects the NE57811 from inrush currents at start-up, and overtemperature shutdown protects the device in extreme temperature situations.
The SPAK-5 (SOT756) package is thermally robust for flexibility of thermal design. Because the NE57811 is a linear regulator, no external inductors or switching FETs are necessary. Fast response to load changes reduces the need for output capacitors.
|
|
|
|
|
|
|
|---|---|---|---|---|---|
|
|
|
|
|
|
|
|
|
|
|
|
|
|
|
|
|
|
|
|
|
|
|
|
|
|
|
|
|
|
|
|
|
|
|
|
|
|
|
|
|
|
|
|
|
|
|
|
|
|
|
|
|
|
|
|
|
|
|
|
|
|
|
|
|
|
|
|
|
|
クイック・リファレンス ドキュメンテーションの種類
2 ドキュメント
コンパクトリスト
セキュアファイルの読み込み中、しばらくお待ちください。