サポート情報 (1)
-
Footprint for wave soldering[PLCC-WAVE]
データ・シート (1)
パッケージ情報 (1)
-
plastic leaded chip carrier; 44 leads[SOT187-2]
お客様の素早い設計とより早い製品化を実現する、技術情報と専門知識をご紹介します。
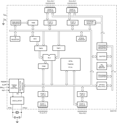
The devices are Single-Chip 8-Bit Microcontrollers manufactured in an advanced CMOS process and are derivatives of the 80C51 microcontroller family. The instruction set is 100 pct compatible with the 80C51 instruction set.
The devices support 6-clock/12-clock mode selection by programming an OTP bit (OX2) using parallel programming. In addition, an SFR bit (X2) in the clock control register (CKCON) also selects between 6-clock/12-clock mode.
The devices also have four 8-bit I/O ports, three 16-bit timer/event counters, a multi-source, four-priority-level, nested interrupt structure, an enhanced UART and on-chip oscillator and timing circuits.
The added features of the P8xC654X2 make it a powerful microcontroller for applications that require pulse width modulation, high-speed I/O and up/down counting capabilities such as motor control.

|
|
|
|
|
|
|
|---|---|---|---|---|---|
|
|
|
|
|
|
|
|
|
|
|
|
|
|
|
|
|
|
|
|
|
|
|
|
|
|
|
|
|
|
|
|
|
|
|
|
|
|
|
|
|
|
|
|
|
|
|
|
|
|
|
|
|
|
|
|
|
|
|
|
|
|
|
|
|
|
|
|
|
|
クイック・リファレンス ドキュメンテーションの種類
3 ドキュメント
コンパクトリスト
セキュアファイルの読み込み中、しばらくお待ちください。