サポート情報 (1)
-
Footprint for wave soldering[PLCC-WAVE]
データ・シート (1)
パッケージ情報 (1)
-
plastic leaded chip carrier; 44 leads[SOT187-2]
お客様の素早い設計とより早い製品化を実現する、技術情報と専門知識をご紹介します。
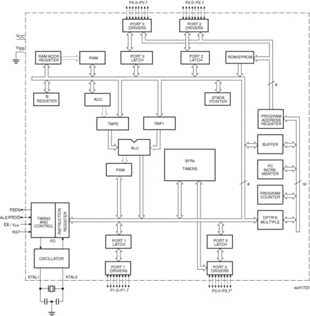
The Philips microcontrollers described in this data sheet are high-performance static 80C51 designs incorporating Philips? high-density CMOS technology with operation from 2.7 V to 5.5 V. They support both 6-clock and 12-clock operation.
The P8xC31X2/51X2 and P8xC32X2/52X2/54X2/58X2 contain 128 byte RAM and 256 byte RAM respectively, 32 I/O lines, three 16-bit counter/timers, a six-source, four-priority level nested interrupt structure, a serial I/O port for either multi-processor communications, I/O expansion or full duplex UART, and on-chip oscillator and clock circuits.
In addition, the devices are low power static designs which offer a wide range of operating frequencies down to zero. Two software selectable modes of power reduction ? idle mode and power-down mode ? are available. The idle mode freezes the CPU while allowing the RAM, timers, serial port, and interrupt system to continue functioning. The power-down mode saves the RAM contents but freezes the oscillator, causing all other chip functions to be inoperative. Since the design is static, the clock can be stopped without loss of user data. Then the execution can be resumed from the point the clock was stopped.

|
|
|
|
|
|
|
|---|---|---|---|---|---|
|
|
|
|
|
|
|
|
|
|
|
|
|
|
|
|
|
|
|
|
|
|
|
|
|
|
|
|
|
|
|
|
|
|
|
|
|
|
|
|
|
|
|
|
|
|
|
|
|
|
|
|
|
|
|
|
|
|
|
|
|
|
|
|
|
|
|
|
|
|
クイック・リファレンス ドキュメンテーションの種類
3 ドキュメント
コンパクトリスト
セキュアファイルの読み込み中、しばらくお待ちください。