80C51 8-Bit Microcontroller Family

製品画像を見る

製品詳細

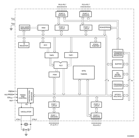
ブロック図

Block diagram: P80C31SBAA, P80C31SBPN, P80C31SFAA, P80C32SBAA, P80C32SBPN, P80C32UBAA, P80C32UFAA, P87C51SBAA, P87C51SBPN, P87C52SBAA, P87C52SBPN, P87C52SFAA, P87C52UBAA, P87C52UBPN

Features

  • 8051 Central Processing Unit
    • 4k ? 8 ROM (80C51)
    • 8k ? 8 ROM (80C52)
    • 128 ? 8 RAM (80C51)
    • 256 ? 8 RAM (80C52)
    • Three 16-bit counter/timers
    • Boolean processor
    • Full static operation
    • Low voltage (2.7 V to 5.5 V@ 16 MHz) operation
  • Memory addressing capability
    • 64k ROM and 64k RAM
  • Power control modes:
    • Clock can be stopped and resumed
    • Idle mode
    • Power-down mode
  • CMOS and TTL compatible
  • TWO speed ranges at VCC = 5 V
    • 0 to 16 MHz
    • 0 to 33 MHz
  • Three package styles
  • Extended temperature ranges
  • Dual Data Pointers
  • Security bits:
    • ROM (2 bits)
  • OTP/EPROM (3 bits)
  • Encryption array - 64 bytes
  • 4 level priority interrupt
  • 6 interrupt sources
  • Four 8-bit I/O ports
  • Full-duplex enhanced UART
    • Framing error detection
    • Automatic address recognition
  • Programmable clock out
  • Asynchronous port reset
  • Low EMI (inhibit ALE and slew rate controlled outputs)
  • Wake-up from Power Down by an external interrupt

購入/パラメータ










































































































ドキュメント

クイック・リファレンス ドキュメンテーションの種類

1-10 件/全 16 ドキュメント

コンパクトリスト

アプリケーション・ノート (4)
カタログ (3)
サポート情報 (1)
データ・シート (1)
パッケージ情報 (1)
ユーザ・ガイド (6)

デザイン・ファイル

サポート

お困りのことは何ですか??