アプリケーション・ノート (1)
サポート情報 (1)
-
Reflow Soldering Profile[REFLOW_SOLDERING_PROFILE]
お客様の素早い設計とより早い製品化を実現する、技術情報と専門知識をご紹介します。
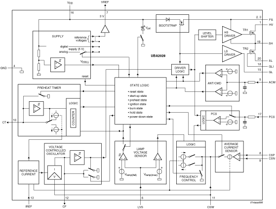
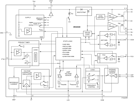
The UBA2028 is a high voltage power IC that drives and controls electronically ballasted Compact Fluorescent Lamps (CFLs). The IC includes a Metal-Oxide-Semiconductor Transistor (MOST) half-bridge power circuit, a dimming function, a high voltage level shift circuit, an oscillator function, a lamp voltage monitor, a current control function, a timer function and various protections.
|
|
|
|
|
|
|
|---|---|---|---|---|---|
|
|
|
|
|
|
|
|
|
|
|
|
|
|
|
|
|
|
|
|
|
|
|
|
|
|
|
|
|
|
|
|
|
|
|
|
|
|
|
|
|
|
|
|
|
|
|
|
|
|
|
|
|
|
|
|
|
|
|
|
|
|
|
|
|
|
|
|
|
|
クイック・リファレンス ドキュメンテーションの種類
7 ドキュメント
コンパクトリスト
セキュアファイルの読み込み中、しばらくお待ちください。