コンパクトリスト
お客様の素早い設計とより早い製品化を実現する、技術情報と専門知識をご紹介します。
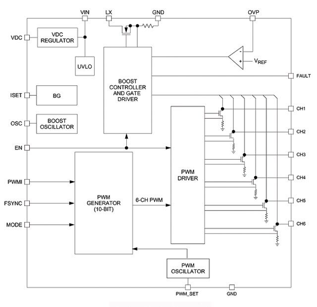
The MC34846 represents a high efficiency LED driver for use in backlighting LCD displays from 10" to 17+". Operating from supplies of 5V to 24V, the IC output voltage can be set up to 51V allowing 15+ LED’s in serial in each of the 6 strings. The maximum current in each string is 30mA. The LED current matching between the 6 strings is within ±1.5%. The LED current is set using a resistor to ground.
クイック・リファレンス ドキュメンテーションの種類
1 ドキュメント
コンパクトリスト
セキュアファイルの読み込み中、しばらくお待ちください。