デザイン・ファイル
完全な内訳を受け取ります。 製品の設置面積などについては、 eCad ファイル.
お客様の素早い設計とより早い製品化を実現する、技術情報と専門知識をご紹介します。
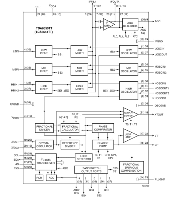
The TDA6650TT; TDA6651TT is a programmable 3-band mixer/oscillator and low phase noise PLL synthesizer intended for pure 3-band tuner concepts applied to hybrid (digital and analog) or digital only terrestrial and cable TV reception.
The device includes three double balanced mixers for low, mid and high bands, three oscillators for the corresponding bands, a switchable IF amplifier, a wideband AGC detector and a low noise PLL synthesizer. Two pins are available between the mixer output and the IF amplifier input to enable IF filtering for improved signal handling and to improve the adjacent channel rejection.
The IF amplifier is switchable in order to drive both symmetrical and asymmetrical outputs. When it is used as an asymmetrical amplifier, the IFOUTB pin needs to be connected to the supply voltage VCCA.
Five open-drain PMOS ports are included on the IC. Two of them, BS1 and BS2, are also dedicated to the selection of the low, mid and high bands. PMOS port BS5 pin is shared with the ADC.
The AGC detector provides a control that can be used in a tuner to set the gain of the RF stage. Six AGC take-over points are available by software. Two programmable AGC time constants are available for search tuning and normal tuner operation.
The local oscillator signal is fed to the fractional-N divider. The divided frequency is compared to the comparison frequency into the fast phase detector which drives the charge pump. The loop amplifier is also on-chip, including the high-voltage transistor to drive directly the 33 V tuning voltage without the need to add an external transistor.
The comparison frequency is obtained from an on-chip crystal oscillator. The crystal frequency can be output to the XTOUT pin to drive the clock input of a digital demodulation IC.
Control data is entered via the I²C-bus; six serial bytes are required to address the device, select the Local Oscillator (LO) frequency, select the step frequency, program the output ports and set the charge pump current or select the ALBC mode, enable or disable the crystal output buffer, select the AGC take-over point and time constant and/or select a specific test mode. A status byte concerning the AGC level detector and the ADC voltage can be read out on the SDA line during a read operation. During a read operation, the loop 'in-lock' flag, the power-on reset flag and the automatic loop bandwidth control flag are read.
The device has 4 programmable addresses. Each address can be selected by applying a specific voltage to pin AS, enabling the use of multiple devices in the same system.
The I²C-bus is fast mode compatible, except for the timing as described in the functional description and is compatible with 5 V, 3.3 V and 2.5 V microcontrollers depending on the voltage applied to pin BVS.
|
|
|
|
|
|
|
|---|---|---|---|---|---|
|
|
|
|
|
|
|
|
|
|
|
|
|
|
|
|
|
|
|
|
|
|
|
|
|
|
|
|
|
|
|
|
|
|
|
|
|
|
|
|
|
|
|
|
|
|
|
|
|
|
|
|
|
|
|
|
|
|
|
|
|
|
|
|
|
|
|
|
|
|
クイック・リファレンス ドキュメンテーションの種類
3 ドキュメント
コンパクトリスト
セキュアファイルの読み込み中、しばらくお待ちください。