アプリケーション・ノート (2)
-
UART to Bluetooth interfacing[AN10307]
お客様の素早い設計とより早い製品化を実現する、技術情報と専門知識をご紹介します。
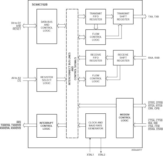
The SC68C752B is a dual Universal Asynchronous Receiver/Transmitter (UART) with 64-byte FIFOs, automatic hardware/software flow control, and data rates up to 5 Mbit/s. The SC68C752B offers enhanced features. It has a Transmission Control Register (TCR) that stores receiver FIFO threshold levels to start/stop transmission during hardware and software flow control. With the FIFO Rdy register, the software gets the status of TXRDYn/RXRDYn for all four ports in one access. On-chip status registers provide the user with error indications, operational status, and modem interface control. System interrupts may be tailored to meet user requirements. An internal loopback capability allows on-board diagnostics.
The UART transmits data, sent to it over the peripheral 8-bit bus, on the TXn signal and receives characters on the RXn signal. Characters can be programmed to be 5 bits, 6 bits, 7 bits, or 8 bits. The UART has a 64-byte receive FIFO and transmit FIFO and can be programmed to interrupt at different trigger levels. The UART generates its own desired baud rate based upon a programmable divisor and its input clock. It can transmit even, odd, or no parity and 1, 1.5, or 2 stop bits. The receiver can detect break, idle, or framing errors, FIFO overflow, and parity errors. The transmitter can detect FIFO underflow. The UART also contains a software interface for modem control operations, and has software flow control and hardware flow control capabilities.
The SC68C752B is available in LQFP48 and HVQFN32 packages.
|
|
|
|
|
|
|
|---|---|---|---|---|---|
|
|
|
|
|
|
|
|
|
|
|
|
|
|
|
|
|
|
|
|
|
|
|
|
|
|
|
|
|
|
|
|
|
|
|
|
|
|
|
|
|
|
|
|
|
|
|
|
|
|
|
|
|
|
|
|
|
|
|
|
|
|
|
|
|
|
|
|
|
|
クイック・リファレンス ドキュメンテーションの種類
5 ドキュメント
コンパクトリスト
セキュアファイルの読み込み中、しばらくお待ちください。