アプリケーション・ノート (2)
-
UART to Bluetooth interfacing[AN10307]
サポート情報 (1)
-
Footprint for wave soldering[HTQFP-HLQFP-LQFP-MSQFP-WAVE]
お客様の素早い設計とより早い製品化を実現する、技術情報と専門知識をご紹介します。
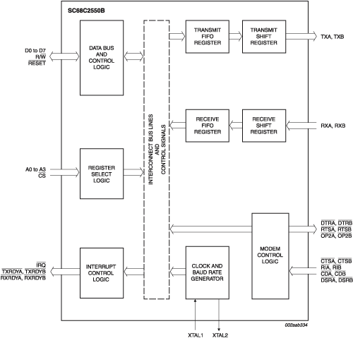
The SC68C2550B is a two channel Universal Asynchronous Receiver and Transmitter (UART) used for serial data communications. Its principal function is to convert parallel data into serial data and vice versa. The UART can handle serial data rates up to 5 Mbit/s.
The SC68C2550B provides enhanced UART functions with 16-byte FIFOs, modem control interface, DMA mode data transfer. The DMA mode data transfer is controlled by the FIFO trigger levels and the TXRDYn and RXRDYn signals. On-board status registers provide the user with error indications and operational status. System interrupts and modem control features may be tailored by software to meet specific user requirements. An internal loopback capability allows on-board diagnostics. Independent programmable baud rate generators are provided to select transmit and receive baud rates.
The SC68C2550B operates at 5 V, 3.3 V and 2.5 V and the industrial temperature range, and is available in a plastic LQFP48 package.
|
|
|
|
|
|
|
|---|---|---|---|---|---|
|
|
|
|
|
|
|
|
|
|
|
|
|
|
|
|
|
|
|
|
|
|
|
|
|
|
|
|
|
|
|
|
|
|
|
|
|
|
|
|
|
|
|
|
|
|
|
|
|
|
|
|
|
|
|
|
|
|
|
|
|
|
|
|
|
|
|
|
|
|
クイック・リファレンス ドキュメンテーションの種類
6 ドキュメント
コンパクトリスト
セキュアファイルの読み込み中、しばらくお待ちください。