データ・シート (1)
-
20-bit DDR SDRAM 2 : 1 MUX[CBTV4020]
お客様の素早い設計とより早い製品化を実現する、技術情報と専門知識をご紹介します。
This 20-bit bus switch is designed for 2.3 V to 2.7 V VDD operation and SSTL_2 select input levels.
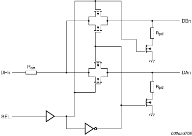
Each host port pin is multiplexed to one of two DIMM port pins. When the SEL pin is HIGH the A DIMM port is turned on and the B DIMM port is off. The ON-state connects the host port to the DIMM port through a 20 Ω nominal series resistance. When the port is off a high-impedance state exists between the Host and disabled DIMM. The DIMM port is terminated with a 100 Ω resistor to ground. When the SEL pin is LOW the B DIMM port is turned on and the A DIMM port is off.
The part incorporates a very low crosstalk design. It has a very low skew between outputs (< 50 ps) and low skew (< 50 ps) for rising and falling edges. The part has optimal performance in DDR data bus applications.
Each switch has been optimized for connection to 1-bank or 2-bank DIMMs.
The low internal RC time constant of the switch (20 Ω x 7 pF) allows data transfer to be made with minimal propagation delay.
The CBTV4020 is characterized for operation from 0 Cel to +85 Cel.
|
|
|
|
|
|
|
|---|---|---|---|---|---|
|
|
|
|
|
|
|
|
|
|
|
|
|
|
|
|
|
|
|
|
|
|
|
|
|
|
|
|
|
|
|
|
|
|
|
|
|
|
|
|
|
|
|
|
|
|
|
|
|
|
|
|
|
|
|
|
|
|
|
|
|
|
|
|
|
|
|
|
|
|
クイック・リファレンス ドキュメンテーションの種類
2 ドキュメント
コンパクトリスト
セキュアファイルの読み込み中、しばらくお待ちください。