データ・シート (1)
-
2 x 6 W stereo power amplifier[TDA1517]
お客様の素早い設計とより早い製品化を実現する、技術情報と専門知識をご紹介します。
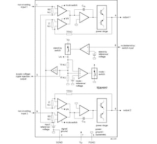
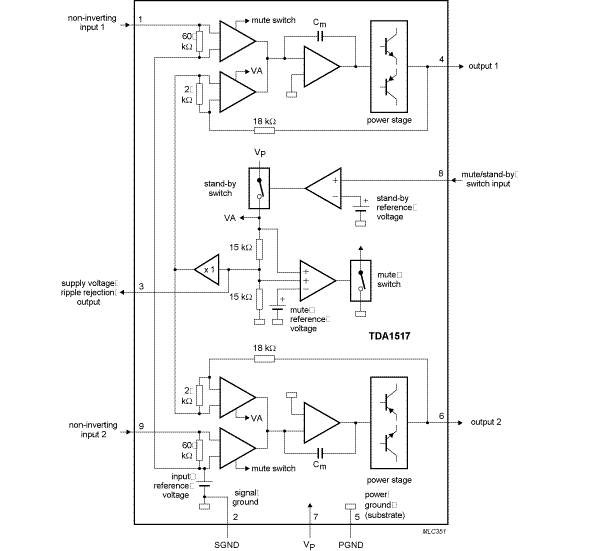
The TDA1517 is an integrated class-B dual output amplifier in a plastic single in-line medium power package with fin (SIL9MPF), a plastic rectangular-bent single in-line medium power package with fin (RBS9MPF) or a plastic heat-dissipating dual in-line package (HDIP18). The device is primarily developed for multi-media applications.
|
|
|
|
|
|
|
|---|---|---|---|---|---|
|
|
|
|
|
|
|
|
|
|
|
|
|
|
|
|
|
|
|
|
|
|
|
|
|
|
|
|
|
|
|
|
|
|
|
|
|
|
|
|
|
|
|
|
|
|
|
|
|
|
|
|
|
|
|
|
|
|
|
|
|
|
|
|
|
|
|
|
|
|
クイック・リファレンス ドキュメンテーションの種類
2 ドキュメント
コンパクトリスト
セキュアファイルの読み込み中、しばらくお待ちください。