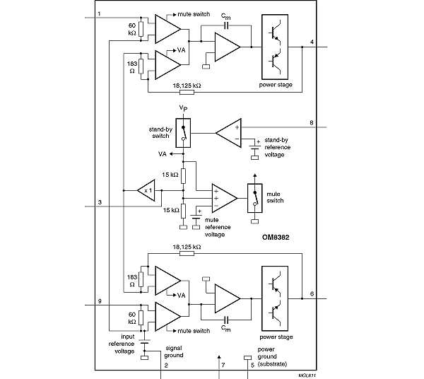
2 x 6 W stereo car radio power amplifier

  • このページには、製造中止(生産終了)となった製品の情報が記載されています。本ページに記載されている仕様および情報は、過去の参考情報です。

画像にカーソルを合わせると拡大表示されます。

購入/パラメータ










































































































ドキュメント

クイック・リファレンス ドキュメンテーションの種類

2 ドキュメント

コンパクトリスト

デザイン・ファイル

サポート

お困りのことは何ですか??