データ・シート (1)
-
2 x 6 W stereo car radio power amplifier[TDA1519_CNV]
お客様の素早い設計とより早い製品化を実現する、技術情報と専門知識をご紹介します。
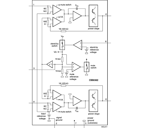
The TDA1519 is an integrated class-B dual output amplifier in a 9-lead single in-line (SIL) plastic medium power package. The device is primarily developed for car radio applications.
|
|
|
|
|
|
|
|---|---|---|---|---|---|
|
|
|
|
|
|
|
|
|
|
|
|
|
|
|
|
|
|
|
|
|
|
|
|
|
|
|
|
|
|
|
|
|
|
|
|
|
|
|
|
|
|
|
|
|
|
|
|
|
|
|
|
|
|
|
|
|
|
|
|
|
|
|
|
|
|
|
|
|
|
クイック・リファレンス ドキュメンテーションの種類
2 ドキュメント
コンパクトリスト
セキュアファイルの読み込み中、しばらくお待ちください。