アプリケーション・ノート (1)
-
AN10327[AN10327]
お客様の素早い設計とより早い製品化を実現する、技術情報と専門知識をご紹介します。
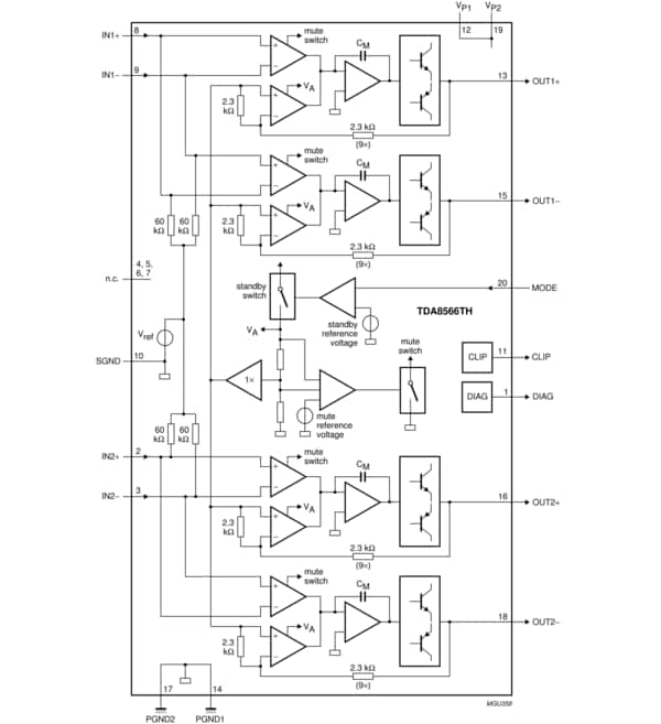
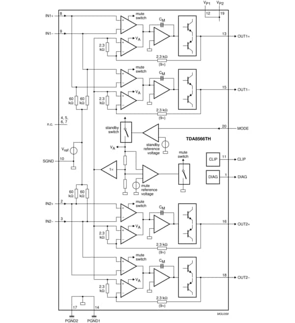
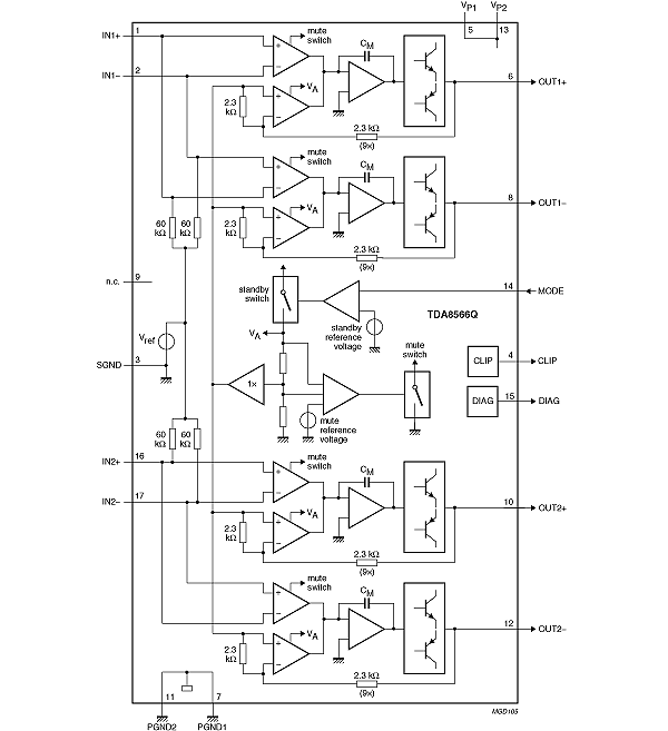
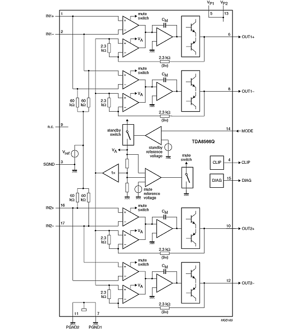
The TDA8566 is an integrated class-B output amplifier which is available in several packages. TDA8566TH is contained in a 20-lead small outline plastic package. The TDA8566TH1 is a 24-lead small outline plastic package which is pin compatible with the I²C-bus controlled amplifier TDA1566TH for one board layout. TDA8566Q is a 17-pin DIL-bent-SIL package.
The device contains 2 amplifiers in a Bridge-Tied Load (BTL) configuration. The output power is 2 x 25 W in a 4 Ω load or 2 x 40 W in a 2 Ω load. It has a differential input stage and 2 diagnostic outputs. The device is primarily developed for car radio applications.
|
|
|
|
|
|
|
|---|---|---|---|---|---|
|
|
|
|
|
|
|
|
|
|
|
|
|
|
|
|
|
|
|
|
|
|
|
|
|
|
|
|
|
|
|
|
|
|
|
|
|
|
|
|
|
|
|
|
|
|
|
|
|
|
|
|
|
|
|
|
|
|
|
|
|
|
|
|
|
|
|
|
|
|
クイック・リファレンス ドキュメンテーションの種類
4 ドキュメント
コンパクトリスト
セキュアファイルの読み込み中、しばらくお待ちください。