デザイン・ファイル
完全な内訳を受け取ります。 製品の設置面積などについては、 eCad ファイル.
お客様の素早い設計とより早い製品化を実現する、技術情報と専門知識をご紹介します。
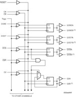
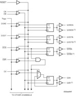
The SSTU32866 is a 1.8 V configurable register specifically designed for use on DDR2 memory modules requiring a parity checking function. It is defined in accordance with the JEDEC JESD82-7 standard for the SSTU32864 registered buffer, while adding the parity checking function in a compatible pinout. The JEDEC standard for SSTU32866 is pending publication. The register is configurable (using configuration pins C0 and C1) to two topologies: 25-bit 1:1 or 14-bit 1:2, and in the latter configuration can be designated as Register A or Register B on the DIMM.
The SSTU32866 accepts a parity bit from the memory controller on its parity bit (PAR_IN) input, compares it with the data received on the DIMM-independent D-inputs and indicates whether a parity error has occurred on its open-drain QERR pin (active-LOW). The convention is even parity, that is, valid parity is defined as an even number of ones across the DIMM-independent data inputs combined with the parity input bit.
The SSTU32866 is packaged in a 96-ball, 6 x 16 grid, 0.8 mm ball pitch LFBGA package (13.5 mm by 5.5 mm).
|
|
|
|
|
|
|
|---|---|---|---|---|---|
|
|
|
|
|
|
|
|
|
|
|
|
|
|
|
|
|
|
|
|
|
|
|
|
|
|
|
|
|
|
|
|
|
|
|
|
|
|
|
|
|
|
|
|
|
|
|
|
|
|
|
|
|
|
|
|
|
|
|
|
|
|
|
|
|
|
|
|
|
|
クイック・リファレンス ドキュメンテーションの種類
2 ドキュメント
コンパクトリスト
セキュアファイルの読み込み中、しばらくお待ちください。