お客様の素早い設計とより早い製品化を実現する、技術情報と専門知識をご紹介します。
Archived content is no longer updated and is made available for historical reference only.
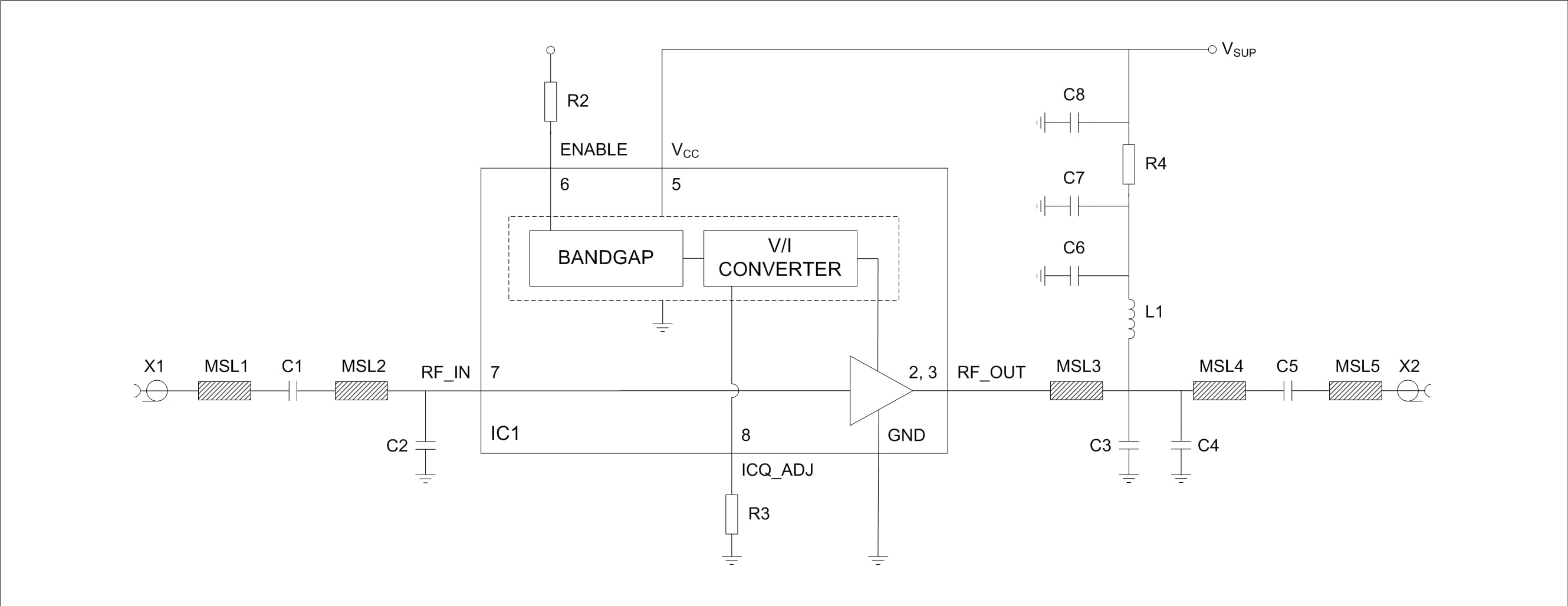
The BGA7130 medium power amplifier kit simplifies the evaluation of the BGA7130 medium power amplifier. It contains a RF board matched to 50 Ohm for UMTS base station transmit at 2140 MHz. The board operates at 5 V and consume 450 mA. The kit also provides BGA7130 samples for prototyping, device models and product documentation.