A growing number of applications, including VoIP, voice messaging, internet
audio streaming and audio books, involve the recording and playback of human
speech. To support these applications, we’ve developed source code and
a sample application for running Speex, the open-source, royalty-free software
codec for voice data. The sample application demonstrates playback and/or
record functions, and can be used with the LPC175x and LPC176x
microcontrollers, which are based on Cortex-M3 cores. The sample application
is also compatible with Keil MDK, IAR EWARM and the LPCXpresso
IDE.
Speex and the LPC1700 series
Originally designed as a
no-cost alternative to expensive speech codecs, Speex is a free audio
compression format, designed specifically for speech and based on Code-Excited
Linear Prediction (CELP), that compresses voice signals at bitrates ranging
from 2 to 44 kb/s. The Speex format offers three features not found in similar
codecs: intensity stereo encoding, integration of multiple sampling rates in
the bitstream (embedded coding), and a variable bit rate (VBR) mode. The
result is a voice codec (vodec) format that delivers high-quality speech at a
low bit rate. (For more on Speex, visit this
site.)
The LPC175x/6x, which is built around a low-power Cortex-M3 core that operates
at up to 120 MHz, is powerful enough and has sufficient SRAM to run the Speex
codec without optimization. Adding some of the pre-processor functions in the
Speex software library, such as reseampler and echo cancellation, can help
boost the audio quality.
The sample application
For our sample application, we
started with a development board from Code Red Technologies that includes an
LPC1768 and several hardware options for evaluating and testing LPC1768
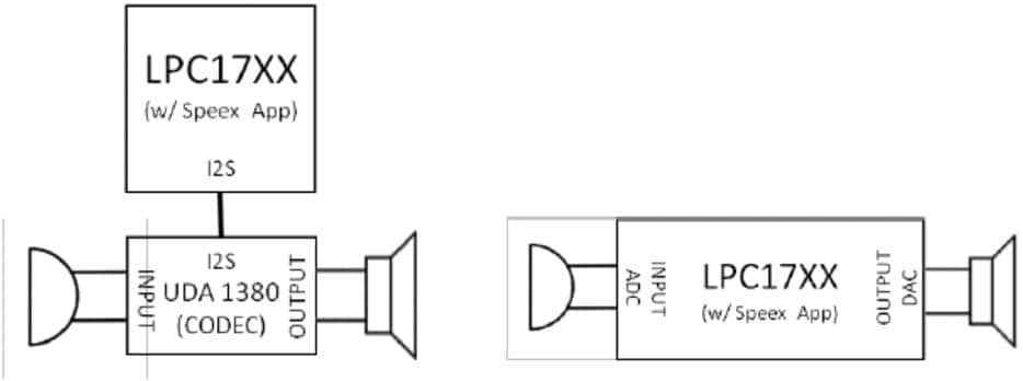
features. One of the ICs integrated onto the board is an NXP UDA1380
I2S stereo codec, which includes sound processing features in
playback mode, de-emphasis, volume, mute, bass boost and treble. The demo
board also has an input for the ADC and an output for the DAC pins, allowing
the application to integrate various working modes and merge the use of the
converters and the I2S codec interface. Figure 1 gives a block
diagram of the design.
Figure 1. LPC17xx Speex application using an NXP I2S codec and
ADC/DAC converters
The design processes the audio signal, enhancing the band-pass
related to the voice spectrum frequencies, then encodes, decodes, filters and
finally amplifies the signal. The application software processes Speex data,
capturing it from ADC or I2S and delivering it to DAC or
I2S. The application supports use of ADC and DAC converters in case
an I2S codec isn’t available.
We programmed the application to perform two functions: record and playback.
The record function uses a routine call to obtain the audio stream from the
from the I2S or ADC input , encodes the stream and then stores it
in RAM. The playback function loads a voice audio stream (previously stored in
RAM), decodes it, and then delivers it to the I2S or DAC output.
Sample boards
The application note AN11085 gives
examples of three LPC175x6x evaluation boards — the Code Red RDB1768v2,
the Keil MCB1700 and the IAR LPC1768-SK — that have been configured
for the Speex demo. The playback function is available on all three boards;
the record function is only available with the Code Red and IAR boards.
The application note gives a full description of the design, with codec
settings, Speex parameters and recommendations for using the libSpeex
library. It also gives flowcharts for the record and playback processes, as
well as guidelines for the audio I/O and the user interface.
How will you use it?
Our application team has created
the starting point for a Speex-equipped system, but the rest is up to you. Let
us know how you might use Speex in your next design!