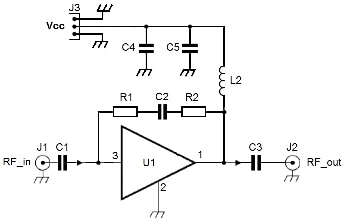
Demoboard for BGA3018, 5 MHz to 300 MHz 18 dB gain reverse amplifier application

  • このページには、製造中止(生産終了)となった製品の情報が記載されています。本ページに記載されている仕様および情報は、過去の参考情報です。

画像にカーソルを合わせると拡大表示されます。

製品詳細

Features

  • Evaluation of electrical DC and RF performance like IDC, S-Parameters, Distortion levels, P-1 dB, Noise Figure
  • Device Models and S-parameters
  • PCB layout evaluation

ドキュメント

クイック・リファレンス ドキュメンテーションの種類

1 ドキュメント

コンパクトリスト

サポート

お困りのことは何ですか??